| สถานะห้องว่าง: | |
|---|---|
| จำนวน: | |
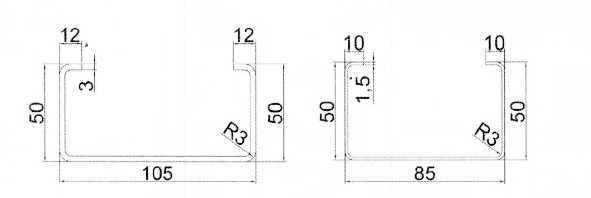
YX50-85/YX50-105
BMS

| เลขที่ | พารามิเตอร์หลัก | พารามิเตอร์โรงรีดขึ้นรูป | ||
| 1. | ความหนาของวัสดุ | 1.5-3.0มม | การขึ้นรูปสถานี | 14 ขั้นตอน |
| 2. | ความกว้างของการป้อน | ตามรูปวาด | โครงตัวถัง | H400 |
| 3. | วัสดุการใช้งาน | แผ่นสังกะสี | ความหนาของผนังด้านข้าง | 25มม |
| 4. | มาตรฐานไฟฟ้า | 380V50Hz/3Ph | เพลา เส้นผ่านศูนย์กลาง | 45# เหล็ก,80φ/φ65มม |
| 5. | เส้นผ่านศูนย์กลาง Decoiler แบบแมนนวล | 508±30 มม | กำลังมอเตอร์หลัก | 18.5 กิโลวัตต์ |
| 6. | ความแข็งแรงของผลผลิต | G550Mpa | สกรู โบลท์ | ชั้นประถมศึกษาปีที่ 8.8 |
| 7. | ความเร็วในการขึ้นรูป | 25ม./นาที | ความกว้างที่มีประสิทธิภาพ | ตามการออกแบบของลูกค้า |
| 8. | ระบบควบคุม | ระบบควบคุม PLC | ลูกกลิ้ง | เหล็ก Cr12, เครื่องกลึง CNC, การอบชุบด้วยความร้อน, เคลือบฮาร์ดโครม |
| 9. | มอเตอร์ไฮดรอลิก | 7.5KW | สีเครื่อง | น้ำเงิน+ดำ+ส้ม |
ขั้นตอนการทำงาน
เครื่อง Decoiler ไฮดรอลิก (5 ตัน) → คู่มือการให้อาหาร / อุปกรณ์ปรับระดับ / เจาะ →เครื่องตัดไฮดรอลิกล่วงหน้า→โรงขึ้นรูปม้วนหลัก → เครื่องตัดโพสต์ไฮดรอลิก → ระบบควบคุม PLC →ทางออกชั้น (3M*2)
จอแสดงผลส่วนประกอบของเครื่อง
อุปกรณ์ปรับระดับ
โพสต์เพื่อตัด หยุดเพื่อตัด การออกแบบใบมีดตัดสองชิ้น ไม่มีการเว้นวรรค
มอเตอร์ไฮดรอลิก:7.5KW ความดันตัด: 0-16Mpa;
วัสดุเครื่องมือตัด: Cr12Mov(= SKD11 ด้วยอายุการตัดอย่างน้อยหนึ่งล้านครั้ง) การอบชุบด้วยความร้อนถึง HRC58-62 องศา
พร้อมรางป้อนวัสดุ โครงตัวถังทำจาก H400ชนิดเหล็กโดยการเชื่อม
เพลาผลิตจาก เหล็ก 45#,การชุบและแบ่งเบาบรรเทาความร้อน, การชุบฮาร์ดโครม
เส้นผ่านศูนย์กลาง=φ80/φ65มม,เครื่องจักรที่มีความแม่นยำ
ตู้ควบคุม PLC
โพสต์คัตเตอร์
ผลิตภัณฑ์ที่ผลิตด้วยเครื่องจักร


| เลขที่ | พารามิเตอร์หลัก | พารามิเตอร์โรงรีดขึ้นรูป | ||
| 1. | ความหนาของวัสดุ | 1.5-3.0มม | การขึ้นรูปสถานี | 14 ขั้นตอน |
| 2. | ความกว้างของการป้อน | ตามรูปวาด | โครงตัวถัง | H400 |
| 3. | วัสดุการใช้งาน | แผ่นสังกะสี | ความหนาของผนังด้านข้าง | 25มม |
| 4. | มาตรฐานไฟฟ้า | 380V50Hz/3Ph | เพลา เส้นผ่านศูนย์กลาง | 45# เหล็ก,80φ/φ65มม |
| 5. | เส้นผ่านศูนย์กลาง Decoiler แบบแมนนวล | 508±30 มม | กำลังมอเตอร์หลัก | 18.5 กิโลวัตต์ |
| 6. | ความแข็งแรงของผลผลิต | G550Mpa | สกรู โบลท์ | ชั้นประถมศึกษาปีที่ 8.8 |
| 7. | ความเร็วในการขึ้นรูป | 25ม./นาที | ความกว้างที่มีประสิทธิภาพ | ตามการออกแบบของลูกค้า |
| 8. | ระบบควบคุม | ระบบควบคุม PLC | ลูกกลิ้ง | เหล็ก Cr12, เครื่องกลึง CNC, การอบชุบด้วยความร้อน, เคลือบฮาร์ดโครม |
| 9. | มอเตอร์ไฮดรอลิก | 7.5KW | สีเครื่อง | น้ำเงิน+ดำ+ส้ม |
ขั้นตอนการทำงาน
เครื่อง Decoiler ไฮดรอลิก (5 ตัน) → คู่มือการให้อาหาร / อุปกรณ์ปรับระดับ / เจาะ →เครื่องตัดไฮดรอลิกล่วงหน้า→โรงขึ้นรูปม้วนหลัก → เครื่องตัดโพสต์ไฮดรอลิก → ระบบควบคุม PLC →ทางออกชั้น (3M*2)
จอแสดงผลส่วนประกอบของเครื่อง
อุปกรณ์ปรับระดับ
โพสต์เพื่อตัด หยุดเพื่อตัด การออกแบบใบมีดตัดสองชิ้น ไม่มีการเว้นวรรค
มอเตอร์ไฮดรอลิก:7.5KW ความดันตัด: 0-16Mpa;
วัสดุเครื่องมือตัด: Cr12Mov(= SKD11 ด้วยอายุการตัดอย่างน้อยหนึ่งล้านครั้ง) การอบชุบด้วยความร้อนถึง HRC58-62 องศา
พร้อมรางป้อนวัสดุ โครงตัวถังทำจาก H400ชนิดเหล็กโดยการเชื่อม
เพลาผลิตจาก เหล็ก 45#,การชุบและแบ่งเบาบรรเทาความร้อน, การชุบฮาร์ดโครม
เส้นผ่านศูนย์กลาง=φ80/φ65มม,เครื่องจักรที่มีความแม่นยำ
ตู้ควบคุม PLC
โพสต์คัตเตอร์
ผลิตภัณฑ์ที่ผลิตด้วยเครื่องจักร


เครื่องขึ้นรูปม้วนประตูชัตเตอร์ สินค้าสำเร็จรูป
กรณีการสมัคร (1)
กรณีการสมัคร (2)

เครื่องขึ้นรูปม้วนประตูชัตเตอร์ สินค้าสำเร็จรูป
กรณีการสมัคร (1)
กรณีการสมัคร (2)