| สถานะห้องว่าง: | |
|---|---|
| จำนวน: | |
yx14.3-30.25 & yx18.5-21.4
BMS
Greenhouse C โปรไฟล์การขึ้นรูปแบบม้วน
ประวัติโดยย่อ
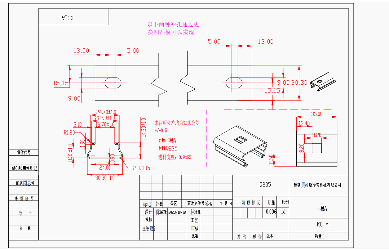
โปรไฟล์ E1
โปรไฟล์ 2
| วัสดุ | วัสดุที่ใช้บังคับ | Magnelis DX51 |
ความหนาของวัสดุ | 0.9 & 1.9 มม. | |
ด้วยความแข็งแรงของผลผลิต | Q235-345MPA | |
เครื่องจักร | กรอบฐาน | H300+H200 ประเภทเหล็กโดยการเชื่อม |
| ความหนาของผนังด้านข้าง | Q235 T28 มม. | |
วัสดุลูกกลิ้ง | แบริ่งเหล็กกล้า GCR15 (= EN31 เหล็ก), ความแม่นยำกลึง, การเคลือบโครเมี่ยมแข็ง | |
สถานีลูกกลิ้ง | 22 ขั้นตอนและ 16 ขั้นตอนในรูปแบบ | |
เส้นผ่านศูนย์กลางเพลา | ф50มม. การประมวลผลความถี่สูง | |
| พลัง | ทางขับรถ | เกียร์เกียร์/เฟือง |
| มอเตอร์หลัก | 11kW การควบคุมความเร็วความถี่ | |
ระบบควบคุม PLC | อินเวอร์เตอร์ | Delta / Taiwan Shilin / Schneider |
หน้าจอสัมผัส | Weinview / Siemens / Schneider | |
เครื่องเข้ารหัส | Koyo (แบรนด์ญี่ปุ่น) หรือ Omron (แบรนด์ญี่ปุ่น) | |
แรงดันไฟฟ้าควบคุม | 24V |
decoiler →อุปกรณ์การให้อาหารและปรับระดับ→อุปกรณ์ตัดก่อนและการเจาะแบบไฮดรัน
ข้อกำหนด ทางเทคนิค
1) Hydraulic Decoiler : หนึ่งชุด
ควบคุมการหดตัวของขดลวดเหล็กโดยอัตโนมัติและหยุด
พร้อมตู้ควบคุมไฟฟ้า
สูงสุด ความกว้างการให้อาหาร: 600 มม., ช่วง ID ของคอยล์: 470 - 560 มม.
ความจุสูงสุด: 5 ตัน, ไม่มีกำลังให้อาหาร, มอเตอร์ไฮดรอลิก: 2.2kw
พร้อมคู่มือวัสดุการให้อาหารและลูกกลิ้ง 7 ลูก (ลูกกลิ้งบน 3 ลูกและลูกกลิ้ง 4 ลูกลง) สำหรับการยืดและปรับระดับ
ด้วยอุปกรณ์เจาะ วัสดุตาย: เหล็ก D2, การบำบัดความร้อน
โครงร่างที่ทำจาก H300# ประเภทเหล็ก โดยการเชื่อม;
เฟรมตัวถังคาสเซ็ตที่ทำจาก เหล็กประเภท 200# H โดยการเชื่อม
ความหนาของผนังด้านข้าง: 18 มม.
ลูกกลิ้งที่ จาก ผลิต ตลับ
การขับขี่มอเตอร์ระบบเกียร์เกียร์ประมาณ 22 +16 ขั้นตอน ในการสร้าง
มอเตอร์หลัก = 11kW การควบคุมความเร็วความถี่
ความเร็วในการผลิต ประมาณ 11m/นาที (รวมถึงการเจาะและเวลาตัด)
3) อุปกรณ์ตัด โพสต์ไฮดรอลิก
การเจาะล่วงหน้าและการตัดล่วงหน้าใช้ระบบไฮดรอลิกเดียวกัน
มอเตอร์ไฮดรอลิก: 4KW , ช่วงความดันไฮดรอลิก: 16MPA
4) ระบบควบคุม PLC
ควบคุมปริมาณและความยาวการตัดโดยอัตโนมัติ
ป้อนข้อมูลการผลิต (ชุดการผลิตพีซีความยาว ฯลฯ ) บนหน้าจอสัมผัส
มันสามารถเสร็จสิ้นการผลิตโดยอัตโนมัติ
รวมกับ: PLC, อินเวอร์เตอร์, หน้าจอสัมผัส, เข้ารหัส ฯลฯ
5) ชั้นวางออก
6) ผลิตภัณฑ์แสดง
วิธีการบรรจุ: ร่างกายหลักของเครื่องเปลือยและ ถูกปกคลุมด้วยฟิล์มพลาสติก (เพื่อป้องกันฝุ่นและการกัดกร่อน) โหลดลงในภาชนะและติดตั้งอย่างต่อเนื่องในภาชนะที่เหมาะสมด้วยเชือกเหล็กและล็อคเหมาะสำหรับการขนส่งทางไกล

บริการหลังการขาย
1. การรับประกันคือ 24 เดือน หลังจากลูกค้าได้รับเครื่อง
ภายใน 24 เดือนเราจะจัดส่งชิ้นส่วนทดแทนไปยังลูกค้าโดยไม่เสียค่าใช้จ่าย
2. เราให้การสนับสนุนทางเทคนิคตลอดชีวิตของเครื่องจักรของเรา
3. เราสามารถส่งช่างเทคนิคของเราไปติดตั้งและฝึกอบรมคนงานในโรงงานของลูกค้าด้วย ค่าใช้จ่ายเพิ่มเติม

Greenhouse C โปรไฟล์การขึ้นรูปแบบม้วน
ประวัติโดยย่อ
โปรไฟล์ E1
โปรไฟล์ 2
| วัสดุ | วัสดุที่ใช้บังคับ | Magnelis DX51 |
ความหนาของวัสดุ | 0.9 & 1.9 มม. | |
ด้วยความแข็งแรงของผลผลิต | Q235-345MPA | |
เครื่องจักร | กรอบฐาน | H300+H200 ประเภทเหล็กโดยการเชื่อม |
| ความหนาของผนังด้านข้าง | Q235 T28 มม. | |
วัสดุลูกกลิ้ง | แบริ่งเหล็กกล้า GCR15 (= EN31 เหล็ก), ความแม่นยำกลึง, การเคลือบโครเมี่ยมแข็ง | |
สถานีลูกกลิ้ง | 22 ขั้นตอนและ 16 ขั้นตอนในรูปแบบ | |
เส้นผ่านศูนย์กลางเพลา | ф50มม. การประมวลผลความถี่สูง | |
| พลัง | ทางขับรถ | เกียร์เกียร์/เฟือง |
| มอเตอร์หลัก | 11kW การควบคุมความเร็วความถี่ | |
ระบบควบคุม PLC | อินเวอร์เตอร์ | Delta / Taiwan Shilin / Schneider |
หน้าจอสัมผัส | Weinview / Siemens / Schneider | |
เครื่องเข้ารหัส | Koyo (แบรนด์ญี่ปุ่น) หรือ Omron (แบรนด์ญี่ปุ่น) | |
แรงดันไฟฟ้าควบคุม | 24V |
decoiler →อุปกรณ์การให้อาหารและปรับระดับ→อุปกรณ์ตัดก่อนและการเจาะแบบไฮดรัน
ข้อกำหนด ทางเทคนิค
1) Hydraulic Decoiler : หนึ่งชุด
ควบคุมการหดตัวของขดลวดเหล็กโดยอัตโนมัติและหยุด
พร้อมตู้ควบคุมไฟฟ้า
สูงสุด ความกว้างการให้อาหาร: 600 มม., ช่วง ID ของคอยล์: 470 - 560 มม.
ความจุสูงสุด: 5 ตัน, ไม่มีกำลังให้อาหาร, มอเตอร์ไฮดรอลิก: 2.2kw
พร้อมคู่มือวัสดุการให้อาหารและลูกกลิ้ง 7 ลูก (ลูกกลิ้งบน 3 ลูกและลูกกลิ้ง 4 ลูกลง) สำหรับการยืดและปรับระดับ
ด้วยอุปกรณ์เจาะ วัสดุตาย: เหล็ก D2, การบำบัดความร้อน
โครงร่างที่ทำจาก H300# ประเภทเหล็ก โดยการเชื่อม;
เฟรมตัวถังคาสเซ็ตที่ทำจาก เหล็กประเภท 200# H โดยการเชื่อม
ความหนาของผนังด้านข้าง: 18 มม.
ลูกกลิ้งที่ จาก ผลิต ตลับ
การขับขี่มอเตอร์ระบบเกียร์เกียร์ประมาณ 22 +16 ขั้นตอน ในการสร้าง
มอเตอร์หลัก = 11kW การควบคุมความเร็วความถี่
ความเร็วในการผลิต ประมาณ 11m/นาที (รวมถึงการเจาะและเวลาตัด)
3) อุปกรณ์ตัด โพสต์ไฮดรอลิก
การเจาะล่วงหน้าและการตัดล่วงหน้าใช้ระบบไฮดรอลิกเดียวกัน
มอเตอร์ไฮดรอลิก: 4KW , ช่วงความดันไฮดรอลิก: 16MPA
4) ระบบควบคุม PLC
ควบคุมปริมาณและความยาวการตัดโดยอัตโนมัติ
ป้อนข้อมูลการผลิต (ชุดการผลิตพีซีความยาว ฯลฯ ) บนหน้าจอสัมผัส
มันสามารถเสร็จสิ้นการผลิตโดยอัตโนมัติ
รวมกับ: PLC, อินเวอร์เตอร์, หน้าจอสัมผัส, เข้ารหัส ฯลฯ
5) ชั้นวางออก
6) ผลิตภัณฑ์แสดง
วิธีการบรรจุ: ร่างกายหลักของเครื่องเปลือยและ ถูกปกคลุมด้วยฟิล์มพลาสติก (เพื่อป้องกันฝุ่นและการกัดกร่อน) โหลดลงในภาชนะและติดตั้งอย่างต่อเนื่องในภาชนะที่เหมาะสมด้วยเชือกเหล็กและล็อคเหมาะสำหรับการขนส่งทางไกล

บริการหลังการขาย
1. การรับประกันคือ 24 เดือน หลังจากลูกค้าได้รับเครื่อง
ภายใน 24 เดือนเราจะจัดส่งชิ้นส่วนทดแทนไปยังลูกค้าโดยไม่เสียค่าใช้จ่าย
2. เราให้การสนับสนุนทางเทคนิคตลอดชีวิตของเครื่องจักรของเรา
3. เราสามารถส่งช่างเทคนิคของเราไปติดตั้งและฝึกอบรมคนงานในโรงงานของลูกค้าด้วย ค่าใช้จ่ายเพิ่มเติม
